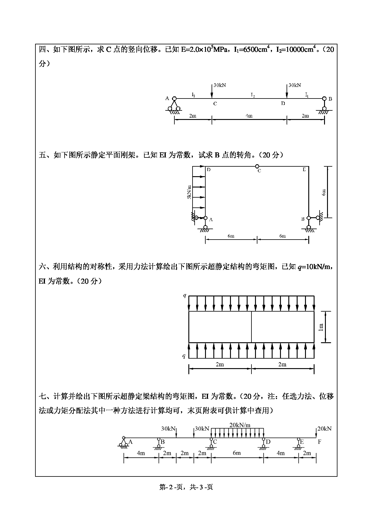
对于正在备战的小伙伴们而言,考试真题是非常重要的学习资料,绍兴文理学院公布了2021年年的考研真题,准备报考绍兴文理学院的同学们可要赶快收藏哦,下面是考研营小编收集的“2021考研真题:绍兴文理学院2021年考研自命题科目 843 结构力学 考试真题”的相关内容,希望对广大学子有所帮助!点击附件可下载答案和真题原文。



更多详情请下载文末附件下载。
以上就是小编整理的“2021考研真题:绍兴文理学院2021年考研自命题科目 843 结构力学 考试真题”的全部内容,更多关于绍兴文理学院2021年考研真题的信息,尽在“考研真题”栏目,定会对大家有所帮助!
