真题对于正在备考的研友来说是很重要的学习资料,河北建筑工程学院公布了2021年年的考研真题,准备报考河北建筑工程学院的学子们可要赶快收藏哦,以下是小编收集的“2021考研真题:河北建筑工程学院2021考研专硕907自动控制原理考试真题”的相关内容,下面我们一起来看看吧!点击附件可下载答案和真题原文。
河 北 建 筑 工 程 学 院
二○二一年硕士研究生入学考试自命题试卷 A
考试科目代码 907 考试科目名称 自动控制原理
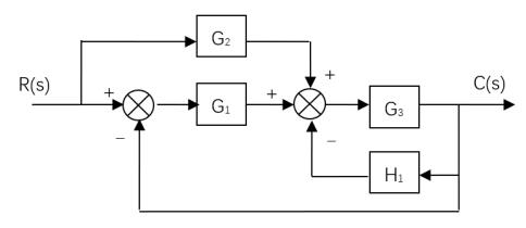
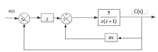
| (注意:所有答案必须写在答题纸上,做在试卷或草稿纸上无效) 一、填空题(每空1分,共20分) 1、自动控制系统性能的基本要求为_________、 __________和 __________。 2、一个简单的自动控制系统主要由 ____________、 ___________ 、_______________ 、____________和放大环节等五部分组成。 3、一阶系统的时间常数T越大,系统输出响应达到稳定值的时间_______。 4、决定二阶系统动态性能的两个重要参数是________ 和 __________。 5、如果增加系统开环传递函数中积分环节的个数,则闭环系统的___________将提高,稳定性将_________。 6、根轨迹起始于____________,终止于____________________。 7、用频域法分析控制系统时,最常用的典型输入信号是_________。 8、任何复杂系统的结构图,都无例外的由__________ 、__________ 和____________三种基本结构交织而成。 9、一阶系统的传递函数是,则其时间常数是__________。 10、常规根轨迹实轴上分布规则为______________。 二、简答题(共35分) 11、分别说出控制系统的主要时域性能指标和频域性能指标。(10分) 12、写出比例-微分控制器的传递函数,并简述其作用。(10分) 13、线性系统稳定的充要条件是什么?(5分) 14、增大控制器的比例系数对闭环系统的输出有何影响?(10分) 三、计算及图解分析(共95分) 15、系统结构图如图1所示,化简框图求C(s)/R(s)。(15分) 图1 16、一控制系统如图2所示,求系统的阻尼比为0.6时的a值和相应的tp,Mp, ts。(15分)
图2 17、设单位反馈系统的开环传递函数为,(1)试绘制系统根轨迹的大致图形,并对系统的稳定性进行分析;(2)若增加一个零点,试绘制根轨迹图并说明有何变化,对系统稳定性有何影响?(25分)
18、设一单位反馈系统的开环对数幅频特性如图3所示(最小相位系统),试求:(1)写出系统的开环传递函数;(2)计算系统的相位裕量,并判断系统的稳定性;(3)如果系统是稳定的,则求当r(t)=t时的稳态误差。(25分) 19、已知一系统的开环传递函数为,试作出系统的奈氏曲线图,并用奈氏稳定判据判别该闭环系统的稳定性。(15分) |
以上就是小编整理的“2021考研真题:河北建筑工程学院2021考研专硕907自动控制原理考试真题”的全部内容,更多关于河北建筑工程学院2021年考研真题的信息,尽在“考研真题”栏目,希望对大家有所帮助!



